欢迎访问 中国焙烤食品糖制品工业协会! 咨询电话:010-65060065

| English

协会刊物
当前位置:首页 > 法规标准 > 

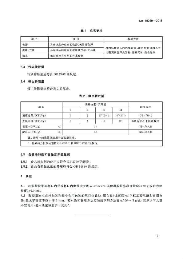
国家卫生计生委发布《食品安全国家标准 果冻》(GB 19299-2015)

发布来源: 作者: 发布时间: 2016-01-13 00:00:00

下一篇:返回列表

中国焙烤食品糖制品工业协会

中国焙烤糖制品协会冷冻食品 专委会

中国国际焙烤展览会 BakeryChina

中国焙烤杂志

中国甜食工业